茄子网站下载APPPVC蝶閥
來源:上海茄子视频色版閥門科技有限公司 作者:茄子网站下载APP蝶閥球閥執行器廠家 點擊量:1680



品牌:上海茄子视频色版
驅動能源: 茄子网站下载APP執行器
型號: D971S
標準: 國標
壓力環境: 常壓
加工定製: 是
產品用途: 石油、化工、電力、能源、船舶、冶金、建材、造紙、鍋爐設備
驅動能源: 茄子网站下载APP執行器
型號: D971S
標準: 國標
壓力環境: 常壓
加工定製: 是
產品用途: 石油、化工、電力、能源、船舶、冶金、建材、造紙、鍋爐設備
聯係客服 13917586261

【產品概述】
茄子网站下载APPPVC蝶閥采用對夾連接,不須適用特殊工具即可快速裝配,具有結構緊、耐磨損、容易拆卸、方便維修、維護簡單易行等優點。該茄子网站下载APP蝶閥閥體材質衛生無毒、耐腐蝕性強、重量輕、應用範圍廣,例如:純水和生飲水的管路係統、排水和汙水管路係統,鹽水和海水管路係統、酸堿和化學溶液係統等多個行業。
【性能特點】
1.使用溫度範圍廣: -40℃~+95℃
2.具有極佳的強度和韌性
3.具有優良的耐化學腐蝕性功能
4.阻燃性能為自熄性
5.低熱傳導性能,約為鋼材的1/200
6.介質中重離子含量達超純水標準
7.衛生指標符合國家衛生標準要求
8.管壁平潔光滑,輸送液體時具有較小的摩擦阻力和附著力
9.重量輕,相當於鋼管1/5,銅管的1/6
10.安裝方便
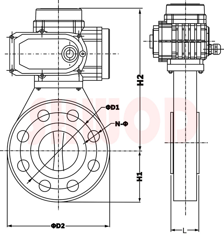
公稱通徑DN(mm) | DN50-DN300 |
連接方式 | 對夾 |
閥體材質 |
UPVC(-10℃~+70℃)、CPVC(-40℃~+95℃) RPP(-14℃~+100℃)、PVDF(-40℃~+140℃) |
閥芯材質 |
UPVC(-10℃~+70℃)、CPVC(-40℃~+95℃) RPP(- 14℃~+100℃)、PVDF(-40℃~+140℃) |
密封材質 | PTFE、EPDM、NBR |
適用介質 | PVC的兼容食品工業化學溶劑 |

規格 | 配置 | D1 | D2 | H | H1 | L | n-Φ |
mm | 1.0MPa | 1.0MPa | 1.0MPa | ||||
DN50 | SQ-05 | 125 | 165 | 345 | 82.5 | 40 | 4-Φ19 |
DN65 | 185 | 185 | 366 | 92.5 | 46 | 4-Φ19 | |
DN80 | SQ-10 | 200 | 200 | 418 | 100 | 46 | 8-Φ19 |
DN100 | 220 | 220 | 444 | 110 | 54 | 8-Φ19 | |
DN125 | 249 | 249 | 493 | 124 | 70 | 8-Φ23 | |
DN150 | SQ-20 | 283 | 283 | 548 | 142 | 74 | 8-Φ23 |
DN200 | 340 | 340 | 622 | 170 | 87 | 8-Φ23 | |
DN250 | SQ-60 | 395 | 395 | 701 | 198 | 114 | 12-Φ25 |
DN300 | SQ-100 | 460 | 460 | 787 | 230 | 114 | 12-Φ25 |
【友情提示】上海茄子视频色版自動化儀表有限公司專業生產銷售各類茄子网站下载APP蝶閥、茄子网站下载APP球閥、茄子网站下载APP閘閥等茄子网站下载APP閥門、茄子网站下载APP執行器、茄子成人短视频執行器、茄子成人短视频閥門、氣動閥門,上海茄子视频色版秉承“誠信為本,客戶至上”的企業宗旨,專業為您提供規格型號齊全、質量穩定、價格合理的茄子网站下载APPPVC蝶閥產品,歡迎前來谘詢報價。