茄子网站下载APP通風蝶閥
來源:上海茄子视频色版閥門科技有限公司 作者:茄子网站下载APP蝶閥球閥執行器廠家 點擊量:3151



品牌:上海茄子视频色版
驅動能源: 茄子网站下载APP執行器
型號: D941W
標準: 國標
壓力環境: 常壓
加工定製: 是
產品用途: 石油、化工、電力、能源、船舶、冶金、建材、造紙、鍋爐設備
驅動能源: 茄子网站下载APP執行器
型號: D941W
標準: 國標
壓力環境: 常壓
加工定製: 是
產品用途: 石油、化工、電力、能源、船舶、冶金、建材、造紙、鍋爐設備
聯係客服 13917586261
【產品概述】
茄子网站下载APP通風蝶閥又稱茄子网站下载APP風量調節蝶閥,由角行程茄子网站下载APP執行器和茄子网站下载APP蝶閥組成,采用中線式碟板與短結構鋼板焊接的新型結構形式設計製造,適用於兩位切斷的場合,閥體相同材料加工成密封圈,其適用溫度隨閥體選材而定,公稱壓力1.0MPa,主要於工業、冶金、煙氣除塵、環保等管道作為氣體介質調節流量或切斷。不適應耐高溫、高壓及耐腐蝕、抗磨損等行業。
【性能特點】
1、結構簡單、口徑大、重量輕、操作方便。
2、驅動力矩小,啟閉靈活,操作方便。
3、可多工位安裝,不會受到介質的影響。
4、閥體上設置油密封擋圈,密封副之間無可見間隙,泄漏率小。
5、蝶板與閥體的膨脹間隙大,能有效防止因熱漲冷縮造成的卡死現象。
【工作原理】
茄子网站下载APP通風蝶閥由茄子网站下载APP執行器輸入電源信號,依靠電壓驅動使碟板在90°範圍內自由轉動,以達到介質流量的啟閉或調節,特別適用於壓力不是很高的的空氣或其它氣體等低壓場所的流量調節及壓力控製,此外在高溫狀態的氣體及蝕性介質工況中也被廣泛適用。
【工作原理】
茄子网站下载APP通風蝶閥由茄子网站下载APP執行器輸入電源信號,依靠電壓驅動使碟板在90°範圍內自由轉動,以達到介質流量的啟閉或調節,特別適用於壓力不是很高的的空氣或其它氣體等低壓場所的流量調節及壓力控製,此外在高溫狀態的氣體及蝕性介質工況中也被廣泛適用。
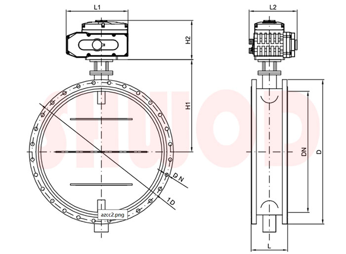
【外形尺寸】

規格 | D | D1 | N—D | H1 | H2 | L | L1 | L2 |
mm | ||||||||
DN65 | 160 | 130 | 4—14 | 282 | 135/270 | 112 | 165/320 | 150/220 |
DN80 | 190 | 150 | 4—18 | 313 | 135/270 | 114 | 165/320 | 150/220 |
DN100 | 210 | 170 | 4—18 | 380 | 135/270 | 127 | 165/320 | 150/220 |
DN125 | 240 | 200 | 8—18 | 396 | 135/270 | 140 | 165/320 | 150/220 |
DN150 | 265 | 225 | 8—18 | 409 | 135/270 | 140 | 165/320 | 150/220 |
DN200 | 320 | 280 | 8—18 | 619 | 135/270 | 152 | 165/320 | 150/220 |
DN250 | 375 | 335 | 12—18 | 649 | 140/275 | 165 | 190/355 | 170/250 |
DN300 | 440 | 395 | 12—22 | 681 | 140/275 | 180 | 190/355 | 170/250 |
DN350 | 490 | 445 | 12—22 | 709 | 140/315 | 180 | 190/375 | 170/290 |
DN400 | 540 | 495 | 16—22 | 733 | 170/315 | 200 | 270/375 | 220/290 |
DN450 | 595 | 550 | 16—22 | 761 | 170/315 | 200 | 270/375 | 220/290 |
DN500 | 645 | 600 | 20—22 | 789 | 170/315 | 220 | 270/375 | 220/290 |
【友情提示】上海茄子视频色版自動化儀表有限公司專業生產銷售各類茄子网站下载APP蝶閥、茄子网站下载APP球閥、茄子网站下载APP閘閥等茄子网站下载APP閥門、茄子网站下载APP執行器、茄子成人短视频執行器、茄子成人短视频閥門、氣動閥門,上海茄子视频色版秉承“誠信為本,客戶至上”的企業宗旨,專業為您提供規格型號齊全、質量穩定、價格合理的茄子网站下载APP通風蝶閥產品,歡迎前來谘詢報價。
【生產環境】